亚洲黄在线观看I久草I久久这里只有精品23I成人永久视频I最近2019中文免费高清视频观看www99I久久久国产视频

首頁 | 國內行業信息 | 國外行業信息 | 國內政策 | 行業技術 | 企業動態 | 展會信息
  當前位置:首頁 > 國外行業 > 作為污水界學霸級,丹麥的這家污水廠對國內污水處理有哪些可借鑒經驗?
作為污水界學霸級,丹麥的這家污水廠對國內污水處理有哪些可借鑒經驗?
發布日期:2023/1/28 11:37:59
    作為污水界學霸級的,比如丹麥,一些較古老的污水廠都有超過百年的歷史。

    時至今日,丹麥97%的污水都得到了處理,成為世界上首個應用技術創新等手段大踏步減少污水排放給水體造成負效應的國家之一。

    丹麥Ejby M?lle污水廠——一座已經有114年歷史的污水廠,卻一直在不斷地升級,具有雨污同治、出水前后曝氣、側流厭氧氨氧化及厭氧消化固體回流的工藝特色。

    Ejby M?lle污水廠污水排放高標準、雨污同治、精細化運營管理等方面蘊含的經驗值得我國污水廠借鑒。

    1  .Ejby M?lle污水廠概況

    作為丹麥最負盛名的三大水務公司之一,VCS的公司化歷史始于1853年,是一家有著近170年歷史的公司。

    目前該公司將供水和排水職能一體化,管理5個水廠和8個污水處理廠,其中Ejby M?lle污水廠規模最大。



    Ejby M?lle污水廠 | 圖源:VCS Denmark

    根據丹麥出口協會提供的數據,Ejby M?lle污水廠設計能力為70000m3/d,2019年進水平均流量為50750m3/d,運行負荷率為72.5%。運行負荷以進水BOD5計為13100kg/d,負荷率為53.29%。

    該廠接納的是分流制污水,同時也處理當地雨水系統輸送來的雨水,旱天最大流量為6800m3/h,雨天最大流量為19000m3/h。




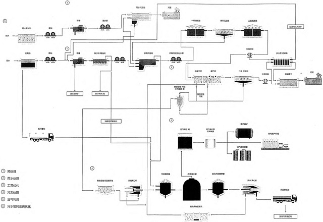
    Ejby M?lle污水廠工藝流程

    水處理過程中分離出的砂子經過清洗可再利用,污泥處理中的能源利用通過熱電聯產機組實現轉化,污泥脫水后的污泥餅由拖車運往堆肥場,后續再度得到循環利用。

    2  .Ejby M?lle污水廠工藝特色

    2.1 雨水、污水同步處理

    丹麥的排水體制是分流制。廠外雨水調蓄池的主要作用是調節流量,對雨水起存儲和削峰作用。

    雨水經過調蓄池的流量調節后經過雨水泵站送入污水處理廠處理,Ejby M?lle污水廠的工藝全流程中包含雨水的處理。

    處理工藝首先經過格柵和沉淀,然后視流量決定去向,不超過污水廠最大設計流量的雨水和污水一同進入生物處理單元進行全流程處理,超過最大設計流量的雨水即在格柵和沉淀后排入河道。沉淀物被送入污水處理的格柵端口進行處理。



    2.2 尾水排放前曝氣增氧

    Ejby M?lle污水廠在完成了污水的生物處理后,在排放到水體前設置了后曝氣單元。

    污水廠工藝控制中,出于節能降耗和微生物生長要求的考慮,在生物處理單元必須精準控制溶解氧水平,因此,出水排放前溶解氧水平的調整是生態友好的。

    Ejby M?lle污水廠在污水處理流程末端設置后曝氣的目的是使污水廠排放的污水中溶解氧的含量與受納水體接近,以免造成對水體的耗氧。


    2.3 污泥處理特色

    該廠污泥處理特色包括側流厭氧氨氧化和厭氧消化后生物固體部分回流。

    污泥消化脫水的上清液經過側流厭氧氨氧化工藝進行單獨脫氮處理,可大大降低高氨氮回流到污水主流生物處理單元造成的高能耗和外加碳源消耗;

    而厭氧消化后的生物固體部分回流至厭氧消化罐內,使污泥在消化池中的平均停留時間延長10%,以此提高厭氧消化的效率。



    3.標桿工廠:能源自給率達到188%

    從2010年開始,通過技術創新和管理加強,該廠的能源管理工作不斷取得新進展。

    技術創新方面,進行了污泥熱水解工藝強化污泥厭氧消化的實證研究、膜曝氣生物反應器(MABR)工藝提高曝氣過程氧利用率的研究。

    使用多種技術改進提高厭氧消化的效率,如根據不同負荷靈活調整消化池的水力停留時間(HRT),2020年8月該污水廠的HRT為31d。


    管理加強方面,根據運營報表,動態進行能耗的全流程分析,找出薄弱環節,替換成更節能的設備;

    聯合當地熱能公司,在污水廠安裝20MW熱泵,對出水的熱能進行利用。如此,熱能公司可獲得穩定、持久、免費的熱能來源,廠方可獲得免費的熱能,形成雙贏局面。

    近年來,該廠污泥厭氧消化甲烷產量約為260萬m3/a,用于熱電聯產。

    2019年,Ejby M?lle污水廠能源自給率達到188%,成為VCS公司旗下名副其實的能源管理標桿工廠。

    4.Ejby M?lle污水廠的4點啟示

    分析Ejby M?lle污水處理廠案例,可為當今我國蒸蒸日上的環保和污水處理事業帶來不少啟迪。

    4.1 “污染者付費”,確保污水排放高標準

    在丹麥,國家環保政策有一條是“污染者付費”,污染者即為污水處理設施的運營單位,“付費”實際是支付一種排污“稅”,按照排放的BOD5、TN、TP這3大污染物量和各自單價折算相應該支付的排污“稅”。

    在這種機制約束下,為了減少排污“稅”并謀求發展,運營污水廠的企業不得不盡量減少對水體的污染排放。

    在我國可試行“優排獎勵”辦法,即優于排放標準排放的企業,可在稅收、勞動工資、人才引進和補貼等方面享受獎勵和優惠制度。

    4.2 因地制宜,實施雨污同治

    丹麥的排水體制屬于分流制,由于初期雨水仍攜有一定的污染,雨水通過調蓄池削峰后,調節流量進入周邊污水處理廠處理。

    污水處理廠從設計起,即完整考慮雨水和污水的共同處理,和部分發達國家污水廠設計理念一致。

    對于污水,100%全流程二級處理+深度處理;對于雨水,首先經過格柵和沉淀,然后視流量決定去向。

    4.3 高效設備支撐智能管理

    以Ejby M?lle污水廠為例,使用了AVK的閥門、格蘭富的泵、丹佛斯的變頻器、Stjernholm的除砂器等,均是在業內享有較好質量口碑的品牌設備。

    在國內,為加快排水智能管理的進程,可吸納丹麥經驗,將設備的高可靠性和持久耐用性作為采購環節需要重點考慮的因素,采用全生命周期比價制度。

    4.4 精細化運營管理永續推進

    Ejby M?lle污水廠以運營規范為基礎,將持續不斷進行精細化管理視作其終極目標。

    如能耗分析,動態分析各設備及各單元的能耗是該廠精細化管理的內容之一。

    通過研究和分析,能及時發現問題,更新老舊設備,或者將當前設備替換為同期更節能的設備;通過不斷優化或革新工藝,將每個單元的能耗控制在合理范圍。這些精細化的管理方法值得國內同行學習和借鑒。

    5 .總  結

    丹麥的這座污水廠,處理規模不大,卻是VCS公司旗下名副其實的能源管理標桿工廠。

    早在2013年它就聲稱實現能量100%自給。2019年,他們甚至宣布:污水廠的能耗盈余率高達88%!

    這與該廠對于新技術的不斷探索與成功應用,精細化的高水平運營管理和重視能源回用的理念密不可分。

    路漫漫其修遠兮,在污水處理的道路上,我們真正需要向西方學習的除了先進的水處理技術和運營管理經驗,更重要的是將我們“達標保平安”的想法向他們那種將廢水當成一種寶貴的資源去利用的理念的轉變。

    來源:環保水圈




特別聲明:本站轉載并注明自其它來源的內容,出于傳遞更多信息而非盈利之目的,同時并不代表贊成其觀點或證實其描述,內容僅供參考。版權歸原作者所有,若有侵權,請聯系我們刪除。電話:010-88372272 E-mail:1915838305@qq.com
最新資訊
株洲今年河湖治理將強化智慧監管
吳忠市:探索黃河流域“海綿城市+再生水”
住房城鄉建設部要求全力抓好2026年城市
福州新區水環境治理按下“加速鍵”
常州市海綿中心多措并舉筑牢城市防汛安全屏
住房城鄉建設部要求全力抓好2025年城市
給地下管網“洗個澡”——北海市城市排水設
杭黃兩地生態環境部門開展2026年流域共
海綿城市建設遇堵點,看北京延慶高塔街如何
山東濟寧探索北方農村黑臭水體治理新模式
熱點資訊排行
1澳大利亞悉尼多個飲用水集水區檢出“永久性
2IE expo China 2025第二
3第26屆中國環博會——國際退役動力電池、
4陽泉市財政局下達省級補助資金 支持城鎮排
5第26屆中國環博會——國際沼氣與農業廢棄
6西安建大科研團隊在污水管道治理領域研究取
7解鎖循環經濟密碼,開啟產業黃金市場 第2
82025中國城市水環境與水生態發展大會在
92025全國水科技大會共謀水業創新發展新
10全球可持續城市平臺亞洲城市學院活動舉行
關于我們 | 友情鏈接 | 法律聲明 | 聯系我們 | 廣告服務
Copyright © 2000-2022 m.ydlsc.cn All Rights Reserved 水工業網互聯網站 經營證許可證編號:京ICP備2022032253號
京公網安備 11010802021286號